更多35BYGL系列產品請致電0519-88385510或郵件info@ht-motor.com
| 步距角精度 | Step Accuracy | ± 5% |
| 溫升 | Temperature Rise | 80 ℃ Maxl |
| 環境溫度 | Ambient Temperature | -20℃~+50℃ |
| 絕緣電阻 | Insulation Resistance | 100MΩ Min.500 VDC |
| 絕緣強度 | Dielectric Strength | 500VAC 1S |
|
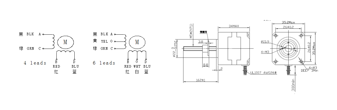
電機 型號 |
步長 (mm/step) |
機身長 (mm) |
相電壓 (V) |
相電流 (A) |
相電阻 (Ω) |
相電感 (mH) |
靜轉矩 (kg.cm) |
引線數 (NO.) |
轉動慣量 (g.cm2) |
定位力矩 (g.cm) |
重量 (kg) |
|---|---|---|---|---|---|---|---|---|---|---|---|
| 35BYGL402E | 0.01 | 34 | 3.6 | 0.8 | 4.5 | 4.5 | 1.0 | 4 | 13 | 95 | 0.17 |
| 35BYGL401 | 0.01 | 34 | 12 | 0.5 | 24 | 12 | 1.0 | 6 | 13 | 95 | 0.17 |
*以上僅為代表產品,派生產品可按客戶需求定制。
