| 步距角精度 | Step Accuracy | ± 5% |
| 溫升 | Temperature Rise | 80 ℃ Max |
| 絕緣電阻 | Insulation Resistance | 100MΩ Min.500 VDC |
| 環境溫度 | Ambient Temperature | -20℃~+50℃ |
| 絕緣強度 | Dielectric Strength | 500VAC 1 minute |
| 最大徑向負荷 | Max Radial Force | 28N (20mm from front flange) |
| 最大軸向負荷 | Max Axial Force | 10N |
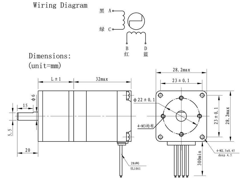
|
電機 型號 |
步距角 (°/Step) |
引線數 (NO.) |
電壓 (V) |
電流 (A/Phase) |
電阻 (Ω/Phase) |
電感 (mH/Phase) |
靜轉矩 (g.cm) |
機身高度 L(mm) |
重量 (Kg) |
|---|---|---|---|---|---|---|---|---|---|
| 28BYGH102-01 | 1.8 | 4 | 3.90 | 0.67 | 6.3 | 3.2 | 600 | 32 | 0.11 |
| 28BYGH105-01 | 1.8 | 6 | 3.1 | 0.95 | 3.3 | 1.0 | 430 | 32 | 0.11 |
| 28BYGH301 | 1.8 | 4 | 4.56 | 0.67 | 6.8 | 4.9 | 950 | 45 | 0.17 |
| 28BYGH303 | 1.8 | 6 | 3.40 | 0.95 | 3.4 | 1.0 | 750 | 45 | 0.14 |
| 28BYGH501 | 1.8 | 4 | 8.04 | 0.67 | 12.0 | 7.2 | 1200 | 51 | 0.19 |
| 28BYGH502 | 1.8 | 6 | 3.80 | 0.95 | 4.0 | 1.3 | 900 | 51 | 0.20 |
*以上僅為代表產品,派生產品可按客戶需求定制。
*該產品可適配22,28減速箱。
