更多20BYGH系列產品請致電0519-88385510或郵件info@ht-motor.com
|
步距角精度 |
Step Accuracy |
± 5% |
|
溫升 |
Temperature Rise |
80 ℃ Max |
|
絕緣電阻 |
Insulation Resistance |
100MΩ Min.500 VDC |
|
環境溫度 |
Ambient Temperature |
-20℃~+50℃ |
|
絕緣強度 |
Dielectric Strength |
500VAC 1 minute |
|
最大徑向負荷 |
Max Radial Force |
10N (20mm from front flange) |
|
最大軸向負荷 |
Max Axial Force |
4N |
|
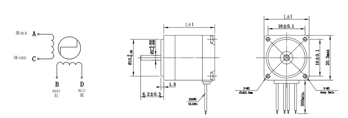
電機 型號 |
步距角 (°/Step) |
引線數 (NO.) |
電壓 (V) |
電流 (A/Phase) |
電阻 (Ω/Phase) |
電感 (mH/Phase) |
靜轉矩 (g.cm) |
機身高度 L(mm) |
重量 (Kg) |
|---|---|---|---|---|---|---|---|---|---|
| 22BYGH101 | 1.8 | 4 | 2.10 | 0.60 | 3.5 | 1.0 | 100 | 30 | 0.050 |
| 22BYGH301 | 1.8 | 4 | 2.60 | 0.50 | 5.2 | 1.8 | 180 | 40 | 0.051 |
| 22BYGH501 | 1.8 | 4 | 3.84 | 0.60 | 6.4 | 2.4 | 180 | 46 | 0.054 |
*以上僅為代表產品,派生產品可按客戶需求定制。
*該產品可適配22減速箱。
